Mali izmjenični motor zupčanika Dobavljači

  • Serija 400W
  • Serija 400W
  • Serija 400W
  • Serija 400W
Mali izmjenični motor zupčanika

Serija 400W

Snaga motora: 400W (1/2HP) Horizontalna ili vertikalna instalacija

Faza: jednofazna / tri faza

Omjer prijenosa: 3-1800k

Odabir motora: 3 fazni motor 220V-240V/380V-415V, 50Hz/60Hz; 1 fazni motor, 220V, 50Hz/60Hz; 1 fazni motor, 110V, 50Hz / 60Hz

Promjer izlazne osovine: φ22mm φ28mm φ32mm φ40mm

  • Serija 400W
  • Serija 400W
  • Serija 400W
  • Serija 400W
PRIJAVA PODRUČJE
Mi smo visokotehnološko poduzeće posvećeno proizvodnji i prodaji AC reduktora, malih reduktora, servo specifičnih planetarnih reduktora, istosmjernih motora bez četkica i bez četkica te drugih proizvoda.
  • Logistika sortiranje

  • Automatizirani roboti

  • lasersko rezanje

  • Vrata za kontrolu pristupa

  • Fotonaponska elektrana

  • Medicinski uređaji

  • Agv

Opis proizvoda

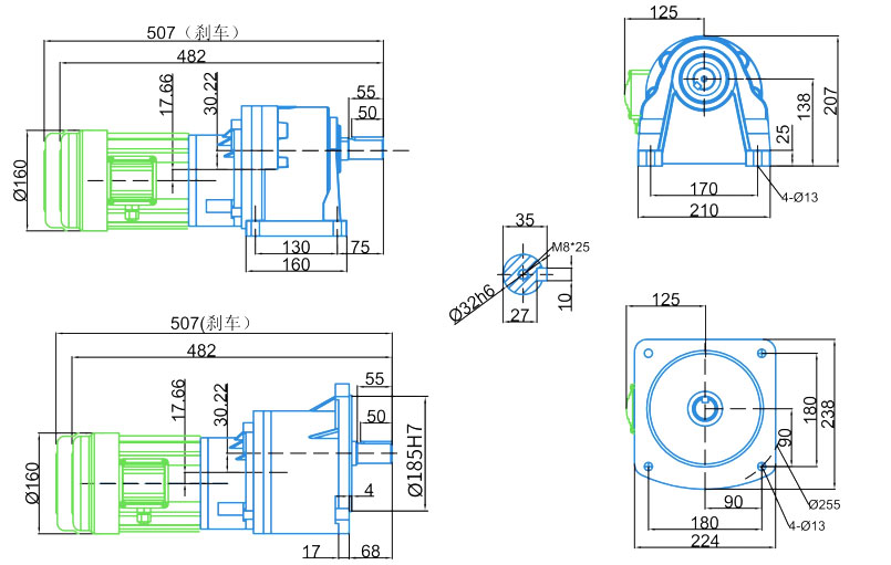
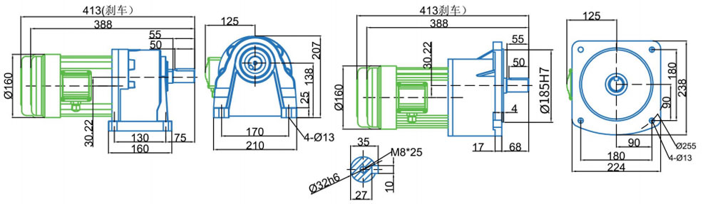
CH22/CV22-400W- (Standardni okvir 1: 3 ~ 10 omjer) (Omjer smanjenog okvira 1: 15 ~ 90) Dijagram veličine

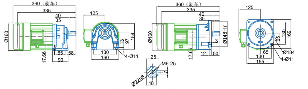
CH32/CV32-400W (1: 210 ili veći omjer) Dimenzijski dijagram

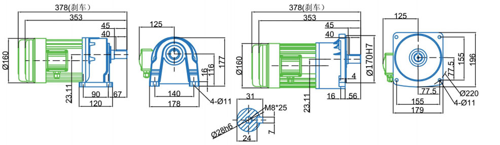
CH28/CV28-400W - (Standardni okvir 1: 15 ~ 90 omjer) (smanjeni okvir 1: 100 ~ 200 omjer) Dimenzionalni crtež

CH40/CV40-400W (1: 210 ili veći omjer) Dijagram veličine

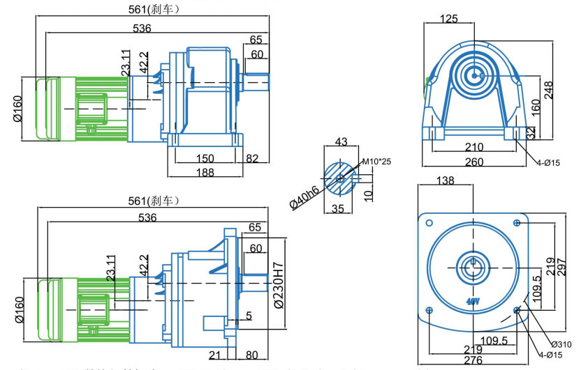
CH32/CV32-400W - (Standardni okvir 1: 100 ~ 200 omjer) Dimenzionalni crtež

Parametar električnih strojeva

Parametar električnih strojeva

Snaga (KW)

Tip

Napon (v)

Frekvencija (Hz)

Ocijenjena struja (a)

Ocijenjena brzina rotacije (RMP)

Kondenzatori (μF)

Klasifikacija izolacije

Zaštitni sustav

0,4kW

1/2HP

Jednofazni

220V

50Hz

1.1A

1420RMP

16 μF 、 100 μF

F

IP54

Trofazni

220V/380V

50Hz

2.1a/1.2a

1420RMP

/

400W- (1: 3-1800 digitalni omjer) Tablica zakretnog momenta

Omjer gera

3

5

10

15

20

25

30

40

50

60

70

80

90

100

120

140

160

180

200

300

1200

1800

Izlaz R.P.M.

50Hz

500

300

150

100

75

60

50

37

30

25

21.4

18.8

16.7

15

12.5

10.7

9.4

8.4

7.5

5

1.25

0.83

60Hz

600

360

180

120

90

72

60

45

36

30

25.7

22.5

20

18

15

12.9

11.3

10

9

6

1.5

1

Izlazni okretni moment kg/m

50Hz

0.7

1.2

2.4

3.6

4.8

6

7.2

9.3

11.6

13.9

16.2

18.4

20.7

23

27.7

32

36

40.8

43.2

70.2

70.2

70.2

60Hz

0.6

1

2

3

4

5

6

7.8

9.7

11.6

13.5

15.4

17.3

19.2

23.1

26.7

30.3

34

36

56.7

56.7

56.7

Brzina u tablici izračunava se na temelju nazivne brzine motora na 50Hz/60Hz, 1420r.min/1732r.min

Stvarna brzina malo će varirati s veličinom opterećenja, s rasponom varijacije od oko ± 5%.

+ Razumjeti detaljne parametre proizvoda
Kontaktirajte nas
  • Upload

O nama
Zhejiang Saiya Intelligent Manufacturing Co., Ltd.
Zhejiang Saiya Intelligent Manufacturing Co., Ltd. Osnovano 2009. godine, s 15 godina iskustva u industriji, visokotehnološko je poduzeće specijalizirano za proizvodnju i prodaju mikro AC zupčastih motora, malih AC zupčastih motora, četkičnih DC zupčastih motora, BLDC bezčetkičnih DC zupčastih motora, preciznih planetarnih mjenjača i valjkastih motora... itd. Mi smo Kina Veleprodaja Serija 400W Dobavljači i OEM/ODM Serija 400W Proizvođači, Saiya motori i mjenjači se široko koriste u industrijskim robotima, inteligentnoj logistici, strojevima za nove energije, AGV robotima i drugim naprednim područjima. Osim toga, igraju ključnu ulogu u preradi hrane, pakiranju, tekstilu, elektronici, medicinskoj opremi i specijaliziranim strojevima, nudeći isplativa i diferencirana rješenja za različite industrije. Kako bismo poboljšali naše prednosti u diferencijaciji i isplativosti, imamo vlastitu trgovačku tvrtku, Hangzhou Saiya Transmission Equipment Co., LTD, smještenu u Hangzhouu, Zhejiang, koja se nalazi u blizini luka Šangaj i Ningbo, za obavljanje domaćeg i inozemnog poslovanja, u kombinaciji s izravnom prodajom i distribucijom, osigurava globalnu distribuciju i korisničku podršku, pružajući vrhunska ekonomična i pouzdana rješenja svim našim kupcima.

Korporativna kultura

Autentično Pouzdano
Kvaliteta se prirodno ističe.

Temeljne vrijednosti: Razvoj sebe i briga za druge.

Vizija:Postanite stručnjak za usluge u području inteligentnog prijenosa.

Naša misija:Pružiti visokokvalitetne usluge i stvoriti vrijednost za kupce.

Filozofija usluge:Težnja za materijalnom i duhovnom srećom za sve zaposlenike te doprinos napretku i razvoju ljudskog društva.

  • 2009

    Osnivanje
  • 80+

    Osoblje
  • 5+

    Proizvodna linija
Vijesti