Mali izmjenični motor zupčanika Dobavljači

  • Serija 2200W
  • Serija 2200W
  • Serija 2200W
  • Serija 2200W
Mali izmjenični motor zupčanika

Serija 2200W

Motorna snaga: 2200W (3HP) Horizontalna ili okomita instalacija

Faza: jednofazna / tri faza

Omjer prijenosa: 3-1800k

Odabir motora: 3 fazni motor 220V-240V/380V-415V, 50Hz/60Hz; 1 fazni motor, 220V, 50Hz/60Hz; 1 fazni motor, 110V, 50Hz / 60Hz

Promjer izlazne osovine: φ32mm φ40mm φ50m

  • Serija 2200W
  • Serija 2200W
  • Serija 2200W
  • Serija 2200W
PRIJAVA PODRUČJE
Mi smo visokotehnološko poduzeće posvećeno proizvodnji i prodaji AC reduktora, malih reduktora, servo specifičnih planetarnih reduktora, istosmjernih motora bez četkica i bez četkica te drugih proizvoda.
  • Logistika sortiranje

  • Automatizirani roboti

  • lasersko rezanje

  • Vrata za kontrolu pristupa

  • Fotonaponska elektrana

  • Medicinski uređaji

  • Agv

Opis proizvoda

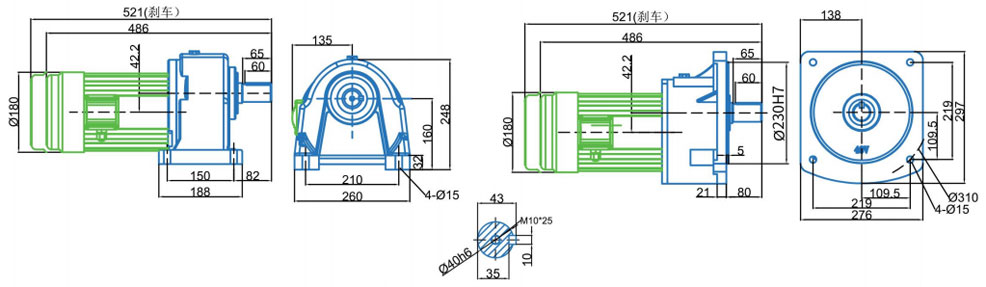
CH32/CV32-2200W- (smanjeni okvir 1: 30 ~ 60 omjer) Dijagram veličine

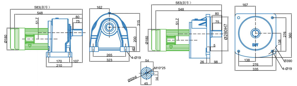
CH40/CV40-2200W Dijem dimenzije visokog specifičnog broja

CH40/CV40-2200W - (Standardni omjer okvira 1: 3 ~ 60) (smanjeni omjer okvira 1: 70 ~ 200) Dimenzionalni crtež

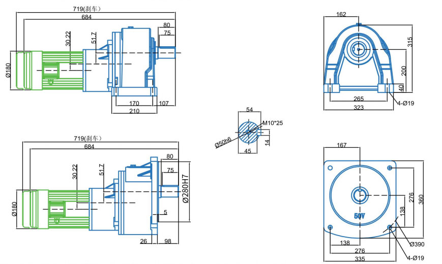
CH50/CV50-2200W (1: 210 ili veći omjer) Dijagram veličine

CH50/CV50-2200W - (Standardni okvir 1: 70 ~ 200 omjer) Dimenzionalni crtež

Parametar električnih strojeva

Parametar električnih strojeva

Snaga (KW)

Tip

Napon (v)

Frekvencija (Hz)

Ocijenjena struja (a)

Ocijenjena brzina rotacije (RMP)

Kondenzatori (μF)

Klasifikacija izolacije

Zaštitni sustav

2.2kW

3hp

Trofazni

220V/380V

50Hz

8,9A/5.1A

1420RMP

/

F

IP54

2200W- (1: 3-120 digitalni omjer) Tablica zakretnog momenta

Omjer gera

3

5

10

15

20

25

30

40

50

60

70

80

90

100

120

140

160

180

200

300

1200

1800

Izlaz R.P.M.

50Hz

500

300

150

100

75

60

50

37

30

25

21.4

18.8

16.7

15

12.5

10.7

9.4

8.4

7.5

5

1.25

0.83

60Hz

600

360

180

120

90

72

60

45

36

30

25.7

22.5

20

18

15

12.9

11.3

10

9

6

1.5

1

Izlazni okretni moment kg/m

50Hz

3.8

6.72

13.7

21

26.8

33.6

40.3

52

65

78.1

92.5

105

113.1

126

156.2

60Hz

3.2

5.6

11.2

16.8

22.4

28

33.6

43.4

54.3

65.1

77.1

87.5

94.3

105

128

Brzina u tablici izračunava se na temelju nazivne brzine motora na 50Hz/60Hz, 1420r.min/1732r.min

Stvarna brzina malo će varirati s veličinom opterećenja, s rasponom varijacije od oko ± 5%.

+ Razumjeti detaljne parametre proizvoda
Kontaktirajte nas
  • Upload

O nama
Zhejiang Saiya Intelligent Manufacturing Co., Ltd.
Zhejiang Saiya Intelligent Manufacturing Co., Ltd. Osnovano 2009. godine, s 15 godina iskustva u industriji, visokotehnološko je poduzeće specijalizirano za proizvodnju i prodaju mikro AC zupčastih motora, malih AC zupčastih motora, četkičnih DC zupčastih motora, BLDC bezčetkičnih DC zupčastih motora, preciznih planetarnih mjenjača i valjkastih motora... itd. Mi smo Kina Veleprodaja Serija 2200W Dobavljači i OEM/ODM Serija 2200W Proizvođači, Saiya motori i mjenjači se široko koriste u industrijskim robotima, inteligentnoj logistici, strojevima za nove energije, AGV robotima i drugim naprednim područjima. Osim toga, igraju ključnu ulogu u preradi hrane, pakiranju, tekstilu, elektronici, medicinskoj opremi i specijaliziranim strojevima, nudeći isplativa i diferencirana rješenja za različite industrije. Kako bismo poboljšali naše prednosti u diferencijaciji i isplativosti, imamo vlastitu trgovačku tvrtku, Hangzhou Saiya Transmission Equipment Co., LTD, smještenu u Hangzhouu, Zhejiang, koja se nalazi u blizini luka Šangaj i Ningbo, za obavljanje domaćeg i inozemnog poslovanja, u kombinaciji s izravnom prodajom i distribucijom, osigurava globalnu distribuciju i korisničku podršku, pružajući vrhunska ekonomična i pouzdana rješenja svim našim kupcima.

Korporativna kultura

Autentično Pouzdano
Kvaliteta se prirodno ističe.

Temeljne vrijednosti: Razvoj sebe i briga za druge.

Vizija:Postanite stručnjak za usluge u području inteligentnog prijenosa.

Naša misija:Pružiti visokokvalitetne usluge i stvoriti vrijednost za kupce.

Filozofija usluge:Težnja za materijalnom i duhovnom srećom za sve zaposlenike te doprinos napretku i razvoju ljudskog društva.

  • 2009

    Osnivanje
  • 80+

    Osoblje
  • 5+

    Proizvodna linija
Vijesti